Перемикач навантаження моторизований Atys d M призначений для віддаленого перемикання ліній живлення, зміни послідовності фаз.
Управління здійснюється "сухим" контактом або автоматичними контролерами резервного живлення. При необхідності пристрій можна перевести в режим ручного управління за допомогою рукоятки, або механічно заблокувати навісним замком.
Віддалене керування перемикачем може відбуватись в двох режимах: імпульсному режимі, та в режимі контактора.
Діаграма роботи в імпульсному режимі:

Діаграма роботи в режимі контактора:

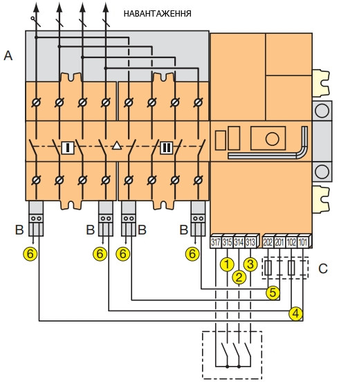
Схема підключень:

1. Вибір положення І
2. Вибір положення ІІ
3. Вибір положення І 0
4. Джерело живлення І (230 V AC)
5. Джерело живлення ІІ (230 V AC)
6, В. Клема живлення (аксессуар 13994006)
А. Шинна перемичка (аксесуар 13094006)
С. Запобіжники 10 А (Gg) (в поставку не входят)
В комплект входять додаткові сигнальні контакти, встановлені на заводі - 1CO на кожне положення.
| Основні атрибути | |
|---|---|
| Виробник | Socomec |
| Країна виробник | Франція |
| Кількість полюсів | 4 шт. |
| Користувальницькі характеристики | |
| Номінальний струм, А | 40 А |
| Алгоритм роботи | ON-OFF-ON |