Основні характеристики електромотора на постійних магнітах:
• Магнітне поле створюють постійні магніти
• Циліндрична конструкція, без вентилятора
• Низьковольне джерело живлення, 24 вольти постійного струму
• Високий початковий момент обертання
• Високий момент обертання та вихідна потужність
• Компактна конструкція
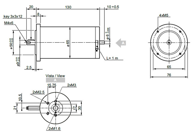
Розміри

| Основні | |
|---|---|
| Виробник | Transtecno |
| Країна виробник | Італія |
| Напруга | 24 В |
| Споживаний струм | 4.2 А |
| Частота обертання | 3000 об/хв |
| Потужність | 0.07 кВт |
| Матеріал корпусу | Метал |
| Ступінь захисту IP | 20 |
| Режими роботи | Тривалий |
| Тип двигуна | Колекторний |
| Тип збудження | Від постійних магнітів |
| Габаритні розміри | |
| Маса | 1.7 г |
| Користувальницькі характеристики | |
| Приєднання | кабель 1000 мм |
| Діаметр корпусу, мм | 65 |
| Крутний момент, Нм | 0.22 |